您好,欢迎访问湖北旗达石化设备有限公司官网!
过滤器,阻火器,呼吸阀,视镜,液位计【湖北旗达】
联系我们
公司地址: 武汉市东西湖区慈惠农场花园路8号
销售总机: 027-8538 5758
值班手机: 189 7116 3253
官方网站: www.qidash.com
企业邮箱 qida@qidash.com
产品详情
蓝式过滤器、不锈钢蓝式过滤器,【湖北旗达】
简介:蓝式过滤器是工业生产中不可缺少的管道附件。蓝式过滤器一般安装在管道上,能过滤流体中的固体杂质,保证管线设备系统正常地运行,可使流体更加纯净,获得理想的工业产品。当蓝式过滤器需要清洗时应打开上盖取出滤网,滤网清洗后重新装入即可。因此,蓝式过滤器使用维护极为方便。在石油、化工、制药、食品等行业中得到了广泛的应用,深受用户的青睐。
直通平底蓝式过滤器(SD1)型 
直通弧底蓝式过滤器(SD2)型
 

蓝式过滤器

直通平底蓝式过滤器

直通弧底蓝式过滤器
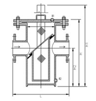
蓝式过滤器参数材料表
壳体材质 PP  碳钢   不锈钢  衬里
滤框滤网材质 不锈钢
密封件材质 耐油石棉橡胶、金属缠绕垫、聚四氟乙烯
工作温度( -80~450
连接方式 法兰连接、对焊连接、螺纹连接    
公称压力(MPa 0.6~16.0   (150Lb~900Lb)
过滤精度(目/in 5~800
 
蓝式过滤器表格计算单位mm 

 DN 25 40 50 80 100 125 150 200 250 300
SIZE 1” 11/2 2” 3” 4” 5” 6” 8” 10” 12”
D1 76 108 108 159 219 273 325 377 426 478
L 180 260 260 399 459 513 565 617 666 718
H 260 300 300 417 508 617 724 793 893 997
H1 410 560 560 719 881 1079 1276 1397 1544 1739
H2 160 170 170 214 272 345 404 446 495 563
 
订货须知
1、我厂承接各种非标尺寸蓝式过滤器;
2、订货时请注明口径、材质、压力、过滤精度及数量等。

回到顶部